Crear en el Cockpit dispositivo de Data Terminal
Breve resumen de los pasos de trabajo necesarios:
1.En la administración de usuarios de Prinect Cockpit crear los futuros usuarios de Data Terminal con datos de la persona (número personal, nombre).
2.Asignar el usuario a por lo menos un grupo de usuarios (vea también ¿Cómo se asignan a un usuario los derechos de un determinado grupo de derechos?).
3.En el área "Sistema" crear nuevos "CDM Devices" para cada estación de trabajo de Data Terminal (vea Crear dispositivo Data Terminal).
4.La secuencia adecuada se creará automáticamente (p. ej. del tipo "SheetfedPrinting") (vea también Original de secuencia "Sheetfed Printing"). Esto es necesario solamente para el tipo de dispositivo "Impresión de pliego".
5.La configuración de la importación PPF se crea automáticamente (vea también Crear/Configurar proceso). Esto es necesario solamente para el tipo de dispositivo "Impresión de pliego", y solamente cuando se tenga que usar la importación PPF.
6.Instalar el software Data Terminal en las estaciones de trabajo correspondientes (URL: http://Nombre del servidor Prinect:6361/DTService-J).
Para poder utilizar Data Terminal debe realizar los siguientes pasos:
1.Crear un usuario en el servidor Prinect.
Crear un usuario e introducir los siguientes atributos en el área "Persona":
·Número personal
·Nombre
·Apellido
2.Asignar el usuario a un grupo de usuarios
El usuario creado anteriormente debe estar asignado como mínimo al grupo de usuarios "*Operator", "*Assistent" o "*MultiUser". Por ejemplo "PostpressOperator" para la función de "Operador"; vea Función), "PostpressAssistent" (para la función "Operador auxiliar") o "PostPressMultiUser" (para la función "Operador múltiple").
Motivo: Al crearse cada equipo de Data Terminal se le asigna un grupo de usuarios. Sólo los usuarios que pertenezcan a este grupo de usuarios podrán iniciar sesiones en este equipo de Data Terminal.
Los usuarios creados aparecerán en el Data Terminal en una lista con los atributos anteriormente mencionados.
Nota: En Data Terminal sólo se pueden registrar personas que previamente hayan sido creadas correctamente en el servidor Prinect. Vea en ¿Cómo creo una nueva cuenta de usuario? cómo crear un nuevo usuario.
3.Crear un dispositivo de Data Terminal en el servidor Prinect.
En el servidor Prinect se debe crear un dispositivo de Data Terminal. El servidor Prinect debe saber qué tipo de dispositivo es (máquina de preimpresión, máquina de imprimir, máquina de tratamiento posterior o puesto de trabajo manual) y a dónde debe enviar los datos del pedido. Los dispositivos figuran en Data Terminal en el menú "Ajuste Puestos de trabajo". Si ha instalado Data Terminal en varias estaciones de trabajo, deberá crear los dispositivos deseados en cada equipo de Data Terminal.
4.Una nueva secuencia, p. ej. "SheetfedPrinting", se crea automáticamente.
Nota: Solamente en el tipo de dispositivo "Impresión de pliego".
Vea más información acerca de esta secuencia en Original de secuencia "Sheetfed Printing".
5.La configuración de la importación de PPF se crea automáticamente
Nota: Solamente en el tipo de dispositivo "Impresión de pliego".
La carpeta de entrada PPF es necesaria para que los pedidos también puedan ser enviados del servidor Prinect al Data Terminal.
En Crear/Configurar proceso vea la configuración del directorio de entrada PPF creado automáticamente.
6.Ejecutar la instalación.
7.Activar los dispositivos en el Data Terminal (vea Activar dispositivo Data Terminal).
Crear dispositivo Data Terminal
Un dispositivo Data Terminal se crea en los ajustes del sistema a través del CDM no importando cuál sea el tipo de dispositivo. Con el menú de contexto "Añadir dispositivo..." se inicia el asistente de dispositivo.

Asistente de dispositivo - General
Tipos de dispositivos
Dentro de la clase de dispositivo elija el tipo de máquina que debe ser conectado mediante el Data Terminal. Vea en Clase de dispositivo una lista de dispositivos.
Conexión
En el primer paso del asistente de dispositivos defina en "Conexión" que se trata de una conexión Data Terminal o una conexión Data Terminal con cuadro de contaje.
•Data Terminal
Ud. puede usar este tipo de conexión para máquinas que no se pueden conectar on-line y puestos de trabajo manual.
•Cuadro de contaje de Data Terminal
Ud. puede usar este tipo de conexión cuando utiliza máquinas que transmiten el estado del totalizador al Data Terminal por medio de un cuadro de contaje. En este caso, en el Data Terminal no necesita realizar la recopilación manual de la tirada producida. Por cada cuadro de contaje puede conectar hasta seis máquinas.
Mayores informaciones encontrará en la Configuración adicional para el dispositivo Data Terminal con cuadro de contaje.
•Data Terminal con máquina directa
Este tipo de conexión está disponible para las clases de dispositivos "Guillotina" e "Impresión digital". En estas clases de dispositivos las máquinas se pueden conectar directamente; lo único es que los datos de servicio no se devuelven. Para los mensajes RDS (operaciones) se utiliza un Data Terminal adicional.
Vea en Conectar máquinas de impresión digital lo necesario para la conexión de una máquina de impresión digital.
Vea en Particularidad al crear una cortadora Polar lo necesario para la conexión de una guillotina.
Contenido de la lista de operaciones
Aquí puede decidir si posteriormente en el Data Terminal se deben listar operaciones que pueden ser ejecutadas o también aquellas que ya han sido planificadas para el dispositivo.
Para más información vea Contenido de la lista de operaciones.
•"Inicio Parada cantidad resumida"
Seleccione este modo de registro del tiempo cuando desee registrar los tiempos de producción en "tiempo real" durante el procesamiento de un pedido. Esto significa que usted comienza una actividad (p. ej. "Inicializar") cuando inicia la operación. Si a continuación inicia la siguiente actividad (p. ej. "Plegar"), la "Inicialización" se terminará.
El tiempo que transcurre entre el inicio de la "Inicialización" y el inicio de "Plegar" se recopila como el tiempo de puesta a punto.
•Duración
Seleccionar este modo de registro del tiempo cuando desee registrar sólo la duración de una operación durante el procesamiento de un pedido. Es decir que sólo se registrará el tiempo total de una operación. Y se hace concretamente después de que ya haya finalizado esta operación.
Para más información vea Tipos de registro del tiempo.
Asignar a los pedidos de manera imprevista únicamente
Active esta opción por ejemplo para dispositivos Data Terminal que no desee planificar en el Scheduler (calendario programador). Cuando la opción está activa, en la columna "Pedidos" del Data Terminal aparecen solamente pedidos no planificados.
Asignación de funciones
Así como en una conexión directa, al dispositivo Data Terminal le puede asignar varias funciones.
Esto significa que hay que definir todas aquellas personas que podrán iniciar una sesión en la máquina. La función de "Operador" está activada de manera estándar y no se puede desactivar.
Activar la función de "Operador auxiliar" cuando además del operador esté previsto que trabajen otras personas.
Active la función "Operador múltiple" cuando en la máquina trabaja un empleado que simultáneamente trabaja en otra máquina. Normalmente este no es el caso en las máquinas de imprimir. El operador múltiple es utilizado preferentemente en máquinas de tratamiento posterior.
Encontrará una descripción más detallada sobre las funciones (o roles) en Asignación de funciones.
Nota: En la ficha diaria y en el Analize Point se muestran los tiempos como producción solapada. En Prinance y en el Business Manager se indican los asientos (de contabilidad) abiertos.
Configuración diferente al crear un dispositivo Data Terminal de la clase de dispositivo "Máquina de imprimir de pliegos"
La creación de un equipo Data Terminal con la clase de dispositivo "Máquina de imprimir de pliegos" coincide, excepto en algunos parámetros adicionales a definirse, con un dispositivo Data Terminal de otra clase de dispositivo. Si no desea crear ninguna "Máquina de imprimir de pliegos", continúe on el subcapítulo Asistente de dispositivo - "Asignación de grupos de operaciones" y "Asignación de operaciones".
A continuación se describen algunas diferencias.
•Definir clase de dispositivo y tipo de conexión
•Selección de máquinas de imprimir
•Activar salida de los datos de preferencia
•Definir número de cuerpos impresores y de opciones
Definir clase de dispositivo y tipo de conexión
En el área "Clase de dispositivo" elija la entrada "Máquina de imprimir de pliegos". Todas las demás opciones son idénticas a las demás clases de dispositivos.
Selección de máquinas de imprimir
Seleccionar la máquina de imprimir que desee conectar (1). Aparecerán solamente las máquinas de imprimir que ya han sido creadas en el Master Data Store.
Activar salida de los datos de preferencia
Si desea generar datos de preferencia (o de preajuste) para la máquina, active la opción "Activar salida de los datos de preferencia" (2).
Cuando la opción está activada, no sólo se ofrecerá la recogida de datos de servicio sino también los datos de preferencia para la máquina de imprimir. En este lugar usted crea el directorio de salida necesario.
Vea informaciones más detalladas en Configurar la generación de datos de preajuste.
Definir número de cuerpos impresores y de opciones
Aquí Ud. puede "modelar" su máquina de imprimir. Esta configuración es necesaria puesto que cuando entra un pedido se calcula en función de este "modelo" cuántas pasadas de impresión son necesarias en la máquina de imprimir para realizar el pedido. Si Ud. dispone, p. ej., de una máquina de imprimir de 8 colores sin dispositivo inversor (volteadora) y se debe imprimir un pedido 4/4, necesitará dos pasadas de impresión. Con una unidad de volteo necesitará sólo una pasada de impresión.
Asistente de dispositivo - "Asignación de grupos de operaciones" y "Asignación de operaciones"
En los dos pasos siguientes del asistente de dispositivo elija los grupos de operaciones y sus operaciones respectivas. A continuación, éstos podrán ser seleccionados por el operador en el Data Terminal y enviados al Analyze Point.
En la configuración del dispositivo se ajusta qué grupos de operaciones y qué operaciones se pueden seleccionar. Vea al respecto Grupos de operaciones (grupos de tipos de gastos).
La asignación de las operaciones se selecciona de manera individual para cada función (operador, operador auxiliar y operador múltiple).
Asistente de dispositivo - Asignación de grupos de usuarios
En el área "Asignación de grupos de usuarios" se asignan a las funciones grupos de usuarios que pueden registrarse en el Data Terminal.
•Al operador se le asigna como mínimo el grupo de usuarios "*Operator". P. ej. "PostpressOperator".
•Al operador auxiliar se le debe asignar el grupo de usuarios "*Assistent".
•Al operador múltiple se le debe asignar el grupo de usuarios "*MultiUser".
Asistente de dispositivo - Crear variantes
Una variante es una configuración de máquina compuesta de varios grupos. Dependiendo del tipo de dispositivo elegido anteriormente, existen diferentes grupos que se pueden combinar para formar una variante.
Ejemplo embuchadora-cosedora:
•Variante_1 se compone sólo del grupo para "Embuchar".
•Variante_2 se compone del grupo "Encuadernar" y "Guillotina trilateral".
•Variante_3 se compone del grupo "Embuchar", "Encuadernar" y "Guillotina trilateral".
Precisamente en el tratamiento posterior se necesitan diferentes modelos dependiendo del pedido.
Para que el cálculo de los gastos de producción también pueda ser efectuado en función a la variante utilizada, a cada variante se le asignará una unidad de gastos propia. Las unidades de gastos (vea Unidades de gastos ) deberán ser definidas anteriormente y ser sincronizadas con el sistema Management Information conectado.
•A la Variante_1 se le asigna la unidad de gastos "5300, embuchadora-cosedora 1".
•A la Variante_2 se le asigna la unidad de gastos "5310, embuchadora-cosedora 2".
•A la Variante_3 se le asigna la unidad de gastos "5320, embuchadora-cosedora 3".
Cuando cargue un pedido en el Data Terminal, usted debe elegir la variante con la que produce el pedido.
Una operación se puede componer de los pasos embuchar, encuadernar, introducir suplemento y cortar. La variante seleccionada se compone sólo de los grupos "Encuadernar" y "Guillotina trilateral". Los efectos que tiene la selección de una variante al procesar una operación se explican mediante un ejemplo en el capítulo "Trabajar con pedidos" en el manual de instrucciones de Data Terminal.
Vea mayor información referente a las variantes en Crear variantes.
Asistente de dispositivo - Resumen
En el último paso del asistente de dispositivo usted ajusta en el área inferior los valores por defecto para "Operación estándar de preparación" y "Operación estándar para operador auxiliar".
Explicación: Hay máquinas en las que no es preciso registrarse para iniciar un pedido. Además no es necesario reportar manualmente las operaciones que se realizan en la máquina. P. ej. se puede cargar el pedido en la máquina, preparar la máquina e iniciar el pedido sin registrar una operación (mensaje RDS). No obstante, para la evaluación es necesario que el operador de la máquina y los mensajes de estado queden registrados en un pedido. Por esta razón, aquí usted define operaciones (mensajes RDS) que se generarán automáticamente cuando las actividades ejecutadas en la máquina no se registran manualmente.
Operación estándar para operador auxiliar: Sólo visible si se ha activado "Operador auxiliar" al asignarse la función (o rol). Aquí usted define qué operación (mensaje RDS) se genera automáticamente para el operador cuando un usuario se registra en este dispositivo como "Operador" y carga una operación. La operación (mensaje RDS) también se genera cuando este usuario finaliza la sesión de "Operador" en este dispositivo y se registra en otro dispositivo. Esto significa que el operador auxiliar se registra automáticamente en el dispositivo y esto no tiene que ocurrir de manera manual por el operador auxiliar.
En la ventana de diálogo "Resumen" del asistente de dispositivo puede "Activar hoja de paletas" tal como en una máquina de imprimir conectada online. En Crear ficha de la plancha encontrará una descripción detallada.
Configuración adicional para el dispositivo Data Terminal con cuadro de contaje
La creación de un Data Terminal con cuadro de contaje -con excepción de una ventana de diálogo "Configuración del cuadro de contaje" adicional- es idéntica a la creación de un dispositivo Data Terminal sin cuadro de contaje (Crear dispositivo Data Terminal).
A continuación se describirán solamente las diferencias existentes con la creación de un dispositivo Data Terminal sin cuadro de contaje.
Tipo de conexión
En el área "Conexión" se debe haber seleccionado la entrada de lista "Data Terminal con cuadro de contaje".
Ventana de diálogo "Configuración del cuadro de contaje"
Aquí Ud. debe definir cómo se debe averiguar el estado del totalizador suministrado por el cuadro de contaje de la máquina.
El modo de proceder es el siguiente:
•Seleccione el cuadro de contaje (1)
Aquí se ven todas las cajas de conteo creadas que hay en la configuración del dispositivo. De manera alternativa puede crear una nueva caja de conteo con el botón "Nuevo cuadro de contaje". Vea Crear un nuevo cuadro de contaje.
•Asignar un canal a la nueva máquina (dispositivo) (2).
Para cada cuadro de contaje se dispone de 6 canales. Un cuadro de contaje por cada dispositivo conectado.
•Activar/desactivar la opción "Cambio automático a la producción" (3).
Mediante esta opción puede cambiar automáticamente a "Producción" (Producción buena) en cuanto que se cumplan los requisitos configurados. Es decir que no es preciso realizar un registro manual de la "Producción" (inicio de la producción buena).
En la lista de selección "Operaciones" se muestran todas las operaciones -asignadas al dispositivo- que se pueden elegir. Para poder ejecutar la opción "Cambio automático a la producción" se debe seleccionar una operación lógica.
Los dos parámetros siguientes deben cumplirse simultáneamente:
·Cantidad mínima ajustada
·Velocidad mínima ajustada
En la práctica esto significa que se conmutará a la "Producción" sólo cuando se haya procesado por ejemplo una cantidad de 10 pliegos con una velocidad de 4000 [Plg/h]. No se puede pasar a "Producción" cuando uno de los dos parámetros difiera del valor ajustado.
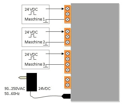
Plano de cableado del cuadro de contaje
El cableado eléctrico del cuadro de contaje en una máquina Heidelberg depende del tipo de máquina. A continuación figuran los planos de cableado eléctrico de dos modelos de máquina.
Encontrará una descripción detallada sobre el cuadro de contaje en el manual de IPCAS adjunto al cuadro de contaje. Aquí hemos incluido los capítulos sobre estos dos puntos tan importantes del manual IPCAS:
•Dirección IP del cuadro de contaje: Capítulo 3: Puesta en marcha
•Instalación del cuadro de contaje: Capítulo 9.4: Asignación de los contactos
Variante 1
La máquina tiene una salida para sensor/barrera de luz de 24 VDC. En esta variante se puede conectar un máximo de tres máquinas.
Atención: Las conexiones de puesta a tierra (GND "Ground") no deben ser "puenteadas". Nunca "puentee" las conexiones de puesta a tierra de dos máquinas.
Variante 2
La máquina dispone de un contacto de mando sin potencial. En esta variante se puede conectar un máximo de seis máquinas.
¿Cómo sé si el dispositivo Data Terminal funciona correctamente?
1.Inicie el Data Terminal en el ordenador para el que ha creado el dispositivo.
2.Inicie el Prinect Cockpit en el servidor Prinect o en un Cliente.
3.Cambiar al área "Colas de espera".
En la columna "Engine" debe aparecer el engine "CDM" y en la columna "Cola de espera" el "Nombre del dispositivo" que ha introducido anteriormente. En este ejemplo es "KH_78".
En la columna "Estado" debe aparecer "Iniciado".