Configurer un appareil Data Terminal dans Cockpit
Récapitulatif des opérations requises :
1.Configurer les futurs utilisateurs de Data Terminal dans la gestion des utilisateurs du Prinect Cockpit en renseignant diverses données personnelles (matricule, nom, prénom).
2.Assigner ces utilisateurs à un groupe d’utilisateurs au minium (voir aussi Comment assigner à un utilisateur les droits d’un groupe de privilèges spécifique ?).
3.Dans la zone « Système », configurer de nouveaux « CDM-Devices » pour chaque poste de travail Data Terminal (voir Configurer une machine Data Terminal).
4.Une séquence appropriée est automatiquement créée (par ex. du type SheetfedPrinting) (voir aussi Modèle de séquence « Sheetfed Printing »). Cette étape est uniquement nécessaire pour les machines du type « Impression feuille ».
5.L’importation PPF est automatiquement configurée (voir aussi Générer/configurer un processus). Cette étape est uniquement nécessaire pour les machines du type « Impression feuille » et si vous avez l’intention d’utiliser l’importation PPF.
6.Installer le logiciel Data Terminal sur les stations de travail concernées (URL : http://nom du serveur Prinect:6361/DTService-J).
Quelles opérations doivent être effectuées ?
Afin de pouvoir utiliser le Data Terminal, vous devez effectuer les opérations suivantes :
1.Configurer un utilisateur sur le serveur Prinect.
Vous devez créer un utilisateur et saisir les attributs suivants dans la rubrique « Particulier » :
·Matricule
·Prénom
·Nom
2.Assigner l’utilisateur à un groupe d’utilisateurs
L’utilisateur précédemment créé doit être assigné à au moins l’un des groupes d’utilisateurs suivants : « *Operator », « *Assistent » ou « *MultiUser ». P. ex. « PostpressOperator » (pour le rôle « Opérateur » ; voir Rôles), « PostpressAssistent » (pour le rôle « Auxiliaire ») ou « PostPressMultiUser » (pour le rôle « Opérateur multiple »).
Explication : un groupe d’utilisateurs est affecté à chaque appareil Data Terminal lors de sa création. Seuls les utilisateurs appartenant à ce groupe d’utilisateurs peuvent se connecter à cet appareil Data Terminal.
Les utilisateurs créés sont affichés au Data Terminal, dans une liste d’utilisateurs, avec les attributs décrits plus haut.
Remarque : Seules peuvent se connecter au Data Terminal les personnes correctement configurées sur le serveur Prinect. La configuration d’un nouvel utilisateur est décrite en détail sous Comment puis-je créer un nouveau compte utilisateur ?.
3.Configurer un poste Data Terminal sur le serveur Prinect.
Une machine Data Terminal doit être configurée sur le serveur Prinect. Le serveur Prinect doit savoir de quel type de machine il s’agit (machine prépresse, machine à imprimer, machine de façonnage ou postes de travail portatifs) et où il devra envoyer les données de la commande. Ces machines sont affichées dans Data Terminal, au menu « Réglage des postes de travail ». Si vous avez installé le Data Terminal sur plusieurs stations de travail, vous devrez éditer les périphériques souhaités pour chaque Data Terminal.
4.Une nouvelle séquence, p. ex. SheetfedPrinting, est automatiquement créée.
Remarque : Concerne uniquement les machines du type « Impression feuille ».
Pour plus d’informations sur cette séquence, voir Modèle de séquence « Sheetfed Printing ».
5.Une configuration d’importation PPF est automatiquement créée.
Remarque : Concerne uniquement les machines du type « Impression feuille ».
Le dossier d’entrée PPF est nécessaire pour que les commandes situées sur le serveur Prinect puissent aussi être envoyées au Data Terminal.
Concernant la configuration du répertoire d’entrée PPF créé automatiquement, voir Générer/configurer un processus
6.Procéder à l’installation.
7.Activer les machines sur Data Terminal (voir Activer une machine Data Terminal).
Configurer une machine Data Terminal
La configuration d’une machine Data Terminal s’effectue via le CDM, dans les réglages du système, indépendamment du type de machine dont il s’agit. Démarrez l’Assistant Périphérique via le menu contextuel « Ajouter un périphérique... ».

Assistant Périphérique - Généralités
Classes de machines
Sous « Classes de machines », sélectionnez le type de machine à connecter via la machine Data Terminal. Les différentes classes de machines sont répertoriées sous Classe d’appareil.
Connexion
Dans l’Assistant Périphérique, commencez par spécifier sous « Connexion » s’il s’agit d’une connexion Data Terminal avec machine ou Data Terminal avec boîte de comptage.
•Data Terminal
Utilisez ce type de connexion pour les machines et postes de travail portatifs ne pouvant être connectés en ligne.
•Data Terminal avec boîte de comptage
Utilisez ce mode de connexion si vous utilisez des machines qui transmettent leurs totaux au Data Terminal via une boîte de comptage. Dans ce cas, vous n’aurez pas besoin de saisir manuellement sur le Data Terminal le nombre d’exemplaires produits. Vous pouvez connecter jusqu’à six machines par boîte de comptage.
Vous trouverez des informations complémentaires sous Configuration supplémentaire pour une machine Data Terminal avec boîte de comptage.
•Data Terminal avec machine
Ce type de connexion est disponible pour les classes de machines « Massicot » et « Impression numérique ». Ce type de connexion permet un raccordement direct de la machine, mais aucune donnée d’exploitation ne peut être transmise en retour. Pour les messages BDE (opérations) on utilise un Data Terminal supplémentaire.
Pour connecter une presse numérique, voir Connecter des presses numériques.
Pour connecter un massicot, voir Connexion d’un massicot Polar.
Contenu de la liste des opérations
Cette option vous permet de déterminer si vous souhaitez que seules les opérations pouvant être exécutées doivent être affichées sur la machine Data Terminal, ou également celles déjà programmées pour la machine.
Pour de plus amples informations, voir Contenu de la liste des opérations.
Type d’enregistrement des temps
•Quantité totale entre début et fin de comptage
Sélectionnez ce mode d’enregistrement des temps lorsque vous souhaitez enregistrer les temps de production en 'temps réel' durant le traitement d’une commande. Cela signifie qu’une activé (p. ex. « Mise en route ») débute lorsque vous démarrez l’opération (message SDE). En démarrant l’activité suivante (p. ex. « Pliage »), vous arrêtez la « Mise en route ».
Le temps écoulé entre le démarrage de la « Mise en route » et le démarrage du « Pliage » est comptabilité comme temps de mise en route.
•Durée
Sélectionnez ce mode d’enregistrement des temps lorsque vous souhaitez enregistrer uniquement la durée d’une activité donnée durant le traitement d’une commande. Ceci signifie que seul le temps total d’une activité est enregistré. Pour ce faire, vous devrez avoir achevé l’activité.
Pour de plus amples informations, voir Type d’enregistrement des temps.
Assigner à des commandes uniquement de façon non planifiée
Vous pouvez activer cette option p. ex. pour les machines Data Terminal que vous ne souhaitez pas planifier dans le Scheduler. Si cette option est activée, la colonne « Commandes » de Data Terminal affichera uniquement les commandes non programmées.
Affectation de rôles
Comme pour une connexion directe, plusieurs rôles peuvent être assignés à la machine Data Terminal.
En clair, vous devez définir toutes les personnes autorisées à se connecter à la machine. Le rôle « Opérateur » est activé par défaut et ne peut pas être désactivé.
Activez le rôle « Auxiliaire » si, en dehors de l’opérateur, des auxiliaires travaillent également sur la machine.
Activez le rôle « Opérateur multiple » si l’opérateur qui travaille sur la machine travaille également sur d’autres machines en même temps. En général, ce n’est pas le cas pour les machines à imprimer. En revanche, l’opérateur multiple est couramment utilisé pour les machines de façonnage.
Vous trouverez une description détaillée des rôles sous Affectation de rôles
Remarque : Dans la fiche journalière et dans Analyze Point, les temps sont affichés comme production simultanée. Dans Business Manager, des réservations ouvertes son indiquées.
Configuration différente lors de la création d’un appareil Data Terminal de la classe d’appareil « Machine à imprimer à feuilles »
La configuration d’une machine Data Terminal de la classe « Machine à imprimer à feuilles » est, à l’exception de certains paramètres complémentaires à définir, identique à celle d’une machine Data Terminal d’une autre classe. Si vous ne souhaitez pas configurer de « machine à imprimer à feuille », poursuivez comme décrit sous Assistant Périphérique - « Affectation de groupes d'opérations » et « Affectation des opérations ».
Nous ne décrivons ici que les différences.
•Définir la classe d’appareil et le mode de connexion
•Sélection d’une machine à imprimer
•Activer la sortie des données de préréglage
•Définir le nombre de groupes d’impression et les options
Définir la classe d’appareil et le mode de connexion
Dans la zone « Classe d’appareil », sélectionnez l’entrée « Machine à imprimer à feuille ». Toutes les autres options sont identiques à celles des autres classes.
Sélection d’une machine à imprimer
Sélectionnez la machine à imprimer que vous souhaitez connecter (1). Sont affichées seulement les machines à imprimer déjà créées dans le Master Data Store.
Activer la sortie des données de préréglage
Si vous souhaitez générer des données de préréglage pour la machine, cochez la case d’option « Activer la sortie des données de préréglage » (2).
Lorsque cette option est cochée, des données de préréglages seront mises à la disposition de la presse, en plus des données d’exploitation. Spécifiez le répertoire de sortie requis à cet effet.
Pour plus de détails, voir Configurer la génération des données de préréglage.
Définir le nombre de groupes d’impression et les options
Il s’agit ici de « modéliser » votre machine à imprimer. Cette étape est nécessaire car, à l’entrée d’une commande, ce « modèle » servira à calculer le nombre d’opérations nécessaires sur la presse pour réaliser la commande. Si vous avez p. ex. une presse 8 couleurs sans dispositif de retournement et si vous devez imprimer une commande 4/4, il vous faut deux passages. Avec un dispositif de retournement, vous n’auriez besoin que d’un seul passage.
Assistant Périphérique - « Affectation de groupes d'opérations » et « Affectation des opérations »
Dans les deux étapes suivantes de l’Assistant Périphérique, sélectionnez les groupes d’opérations et leurs opérations respectives. Elles pourront ensuite être sélectionnées par l’opérateur sur la machine Data Terminal et transmises à Analyze Point.
Les groupes d’opérations et opérations pouvant être sélectionnés se définissent dans la configuration de la machine. Voir à ce sujet Groupes d’opérations (groupes de types de coûts).
L’assignation des opérations est définie individuellement pour chaque rôle (opérateur, auxiliaire et opérateur multiple).
Assistant Périphérique - Assignation de groupes d’utilisateurs
La zone « Assignation de groupes d’utilisateurs » permet d’assigner les groupes d’utilisateurs aux rôles autorisés à s’identifier sur la machine Data Terminal.
•L’opérateur doit être assigné au minimum au groupe d’utilisateurs « *Operator ». P. ex. « PostpressOperator ».
•L’auxiliaire doit être assigné au groupe « *Assistent ».
•L’opérateur multiple doit être assigné au groupe d’utilisateurs « *MultiUser ».
Assistant Périphérique - Définir une variante
Une variante est une configuration machine se composant de différents groupes individuels. Selon le type de périphérique préalablement choisi, différents groupes seront proposés pour constituer une variante.
Exemple encarteuse-piqueuse :
•La variante_1 comprend seulement le groupe « regrouper ».
•La variante_2 comprend les groupes « piquer » et « massicot trilatéral ».
•La variante_3 comprend les groupes « regrouper », « piquer » et « massicot trilatérale ».
Pour le façonnage, différentes variantes sont généralement nécessaires selon la commande à traiter.
Par ailleurs, pour que le calcul des coûts de production puisse s’effectuer en fonction de la variante mise en œuvre, un poste de charge spécifique sera affecté à chaque variante. Ces postes de charge (voir Postes de charge ) doivent être préalablement définis et équilibrés avec le système MIS connecté.
•Le poste de charge « 5300, encarteuse-piqueuse 1 » est assigné à la variante_1.
•Le poste de charge « 5310, encarteuse-piqueuse 2 » est assigné à la variante_2.
•Le poste de charge « 5320, encarteuse-piqueuse 3 » est assigné à la variante_3.
Ensuite, lorsque vous chargez une commande sur le Data Terminal, vous devez sélectionner la variante avec laquelle sera produite la commande.
C’est ainsi que vous pouvez p. ex. définir une opération par ses pas opérationnels regrouper, brocher, insérer et massicoter. La variante sélectionnée n’est néanmoins constituée que des groupes « Brochage » et « Coupe trilatérale ». Les effets de la sélection de variante dans le cadre de l’exécution d’une opération sont expliqués dans les Instructions de service du Data Terminal, au chapitre « Travailler avec des commandes », au moyen d’un exemple.
Pour plus d’informations sur ces variantes, voir Définir des variantes.
Assistant Périphérique - Résumé
La dernière étape de l’Assistant Périphérique consiste à définir les valeurs par défaut pour « Opération standard de mise en route » et « Opération standard pour auxiliaire ».
Explication : certaines machines n’exigent pas que l’opérateur s’identifie pour démarrer une commande. De plus, les activités effectuées sur la machine ne doivent pas obligatoirement être confirmées manuellement. Ainsi, la commande peut être chargée sur la machine, la machine peut être équipée et la commande démarrée sans avoir à saisir d’opération (message SDE). Pour l’analyse, il est cependant nécessaire de saisir l’opérateur de la machine et les messages d’état relatifs à une commande donnée. C’est pourquoi, vous devez définir ici les opérations (messages SDE) qui seront générées automatiquement si les activités réalisées sur la machine ne sont pas saisies manuellement.
Opération standard pour auxiliaire visible uniquement si vous avez activé l’option « Auxiliaire » lors de l’assignation des rôles. Définissez ici l’opération (message SDE) qui sera automatiquement générée pour l’auxiliaire dès lors qu’un utilisateur se sera connecté à cette machine en tant « opérateur » et aura chargé une opération. L’opération (message SDE) sera également générée si cet utilisateur ferme sa session en tant qu’« opérateur » sur cette machine puis en ouvre une autre sur une autre machine. Cela signifie que l’auxiliaire sera automatiquement connecté à la machine et qu’il n’aura donc pas besoin de se connecter manuellement.
Dans la boîte de dialogue « Résumé » de l’Assistant Périphérique, vous pouvez, comme pour une presse connectée en ligne, « Activer étiquette palette ». Pour une description détaillée, voir Créer une fiche de plaque.
Configuration supplémentaire pour une machine Data Terminal avec boîte de comptage
La configuration d’une machine Data Terminal avec boîte de comptage est identique à celle d’une machine Data Terminal sans boîte de comptage, sauf qu’elle comporte une boîte de dialogue supplémentaire intitulée « Configuration de la boîte de comptage » (voir Configurer une machine Data Terminal).
La description ci-après se contentera donc de revenir uniquement sur les points divergents par rapport à un périphérique Data Terminal sans boîte de comptage.
Mode de connexion
Dans la zone « Connexion », sélectionnez l’entrée « Data Terminal avec boîte de comptage ».
Boîte de dialogue « Configuration de la boîte de comptage »
Vous devez définir ici la manière dont le total fournit par la boîte de comptage de la machine doit être transmis.
Voici la procédure standard :
•Sélectionner la boîte de comptage (1)
Toutes les boîtes de comptage spécifiées dans la configuration de la machine sont répertoriées ici. Vous pouvez aussi configurer une nouvelle boîte de comptage en cliquant sur le bouton « Nouvelle boîte de comptage ». Voir Créer une nouvelle boîte de comptage.
•Assigner un canal à la nouvelle machine (appareil) (2).
6 canaux sont disponibles pour chaque boîte de comptage. Une pour chaque machine connectée.
•Activer/désactiver l’option « Commutation automatique en mode production » (3).
Cette option vous permet de passer automatiquement sur « Production » (production de bonnes feuilles), dès que les conditions réglées ici sont remplies. En clair, aucune saisie manuelle de la « production » (production initiale des bonnes feuilles) n’est nécessaire.
Dans la liste déroulante « Opérations », toutes les opérations assignées au périphérique sont affichées pour sélection. Pour que l’option « Commutation automatique en mode production » puisse être mise en œuvre, vous devez choisir une opération compatible avec elle.
Les deux paramètres suivants doivent toujours être remplis simultanément :
·quantité minimale paramétrée
·vitesse minimale paramétrée
En pratique, cela signifie que la commutation en mode « production » ne se produira p. ex. qu’à condition qu’une quantité de 10 feuilles soit traitée à une vitesse de 4000 [f/h]. Aucune commutation en mode « production » ne se fera si l’un des deux paramètres diverge des valeurs paramétrées.
Schéma de câblage de la boîte de comptage
Le câblage électrique de la boîte de comptage à une machine Heidelberg dépend de la machine. Vous trouverez ci-après les schémas de câblage pour deux variantes de machine.
Vous trouverez une description détaillée de la boîte de comptage dans le manuel IPCAS fourni avec la boîte de comptage. Concernant les deux points essentiels, nous avons déjà recherché à votre attention les chapitres correspondants dans le manuel IPCAS :
•Adresse IP de la boîte de comptage : chapitre 3 : Mise en service
•Installation de la boîte de comptage : chapitre 9.4 : Affectation des broches
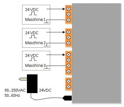
Variante 1
La machine est équipée d’une sortie pour un capteur/une barrière lumineuse de 24 Vcc. Cette variante permet de raccorder trois machines au maximum.
Précaution : Les raccordements de mise à la terre (GND ’ground’) ne doivent pas être pontés. Ne pontez jamais les raccordements de mise à la terre de deux machines.
Variante 2
La machine est dotée d’un contacteur sec. Cette variante permet de raccorder six machines au maximum.
Comment savoir si une machine Data Terminal fonctionne correctement ?
1.Démarrez Data Terminal sur l’ordinateur sur lequel vous avez configuré la machine.
2.Sur le serveur Prinect ou sur un client, démarrez le Prinect Cockpit.
3.Basculez dans la section « Files d’attente ».
Dans la colonne « Engine » doit figurer l’engine « CDM » et dans la colonne « File d’attente » figure le « nom du périphérique » que vous avez précédemment saisi. Dans notre exemple : « KH_78 ».
Dans la colonne « Etat » doit figurer « Démarré ».