必要な作業手順の概要:
1.今後はデータターミナルユーザーは個人情報とともに(担当者番号、氏名)プリネクトコックピットのユーザー管理で作成します。
2.ユーザーを少なくとも1つのユーザーグループに割り当てます(ユーザーへの権限グループの権限割り当ても参照してください)。
3."システム"ペーンでデータターミナルワークステーション用の新しい"CDMデバイス"を登録します(データターミナル装置を登録を参照)。
4.適切なシーケンスが自動的に作成されます(例えば、"SheetfedPrinting"タイプのもの)("シートフィードプリンティング"シーケンステンプレートも参照してください)。"用紙印刷"装置の種類のみで必要になります。
5.PPFインポート構成は自動的に作成されます (も参照してくださいプロセスを登録/構成)。これは"用紙印刷"装置の種類の場合のみ同時にPPFインポートを使用する必要がある場合のみ必要です。
6.データターミナルソフトウェアを対応のワークステーションにインストールします(URL: http://Name des Prinect Server:6361/DTService-J)。
以下のステップによってData Terminalを使用できるようになります:
1.プリネクトサーバーにユーザーを作成。
ユーザーを作成して、"担当者"ペーンで次の属性を入力します:
·従業員番号
·名
·姓
2.ユーザーをユーザーグループに割り当てる
登録されたユーザーは、少なくとも"*オペレータ"、"*アシスタント"、または、"*マルチユーザー"ユーザーグループに割り当てる必要があります。例: "PostpressOperator"("操作員"ロール用、ロールを参照)、"PostpressAssistent"("助手"ロール用)または"PostPressMultiUser"("多重操作員"ロール用)。
背景:登録の際各データターミナル装置ごとにユーザーグループが1つづつ割り当てられています。このユーザーグループに属するユーザーのみが、このデータターミナル装置にログインできます。
データターミナルのユーザー一覧に定義済みのユーザーが上記の属性とともに表示されます。
注記:プリネクトマネージャーサーバーに正しく登録されたユーザーのみが、データターミナルにログインできます。新しいユーザーの登録方法はユーザーアカウントの設定に記載されています。
3.データターミナル装置を、プリネクトサーバーに登録します。
プリネクトサーバーにはデータターミナル装置が登録されなくてはなりません。プリネクトサーバーには、装置の情報(プリプレス、印刷機、ポストプレス、手作業ワークプレース)があり、ジョブデータの発信先が登録されていなければなりません。装置はデータターミナルにある、"ワークプレース設定"メニューに表示されます。複数のワークステーションにデータターミナルをインストールした場合、それぞれのデータターミナルについて目的の装置を登録する必要があります。
4."heetfedPrinting"などの新しいシーケンスは自動的に作成されます。
注記:装置の種類が"用紙印刷"の場合のみ。
このシーケンスについての詳細は"シートフィードプリンティング"シーケンステンプレートを参照してください。
5.PPFインポート構成は自動的に登録されます。
注記:装置の種類が"用紙印刷"の場合のみ。
プリネクトサーバーからもデータターミナルへ送られるためにはPPF入力フォルダが必要です。
自動的に登録されたPPF入力ディレクトリの構成はプロセスを登録/構成を参照してください。
6.インストール実行
7.データターミナルから装置を有効化します(データターミナル装置を作動を参照)。
データターミナル装置は装置の種類に依存せずにシステム設定にあるCDMから登録します。コンテクストメニュー"装置を追加"からデバイスアシスタントを起動します。

デバイスクラス
"デバイスクラス"の範囲内でデータターミナル装置を接続したい機械の種類を選択します。デバイスクラスのリストアップはデバイスクラスをご参照ください。
接続
装置アシスタントの最初の段階では"接続"のところでデータターミナル接続またはカウンターボックス付きデータターミナル接続のどちらであるかを指定します。
•データターミナル
この接続の種類はオンラインで接続できない機械及び手作業ワークプレースのために使用します。
•カウンターボックス付きデータターミナル
この接続の種類はカウンターボックスから集計状態をデータターミナルに転送する機会を使用するとき使用します。この場合、データターミナルでは生産数をマニュアルに集計する必要はありません。1 台のカウンターボックスに機械を 6 台まで接続できます。
詳細については、カウンターボックス付データターミナル装置の追加構成を参照してください。
•直接機械とデータターミナルを接続
この接続の種類は"断裁機"及び"デジタル印刷"のデバイスクラスのために使用可能です。これらのデバイスクラスでは機械を直接接続できますが、運転データは返送されません。BDEメッセージ(操作)に対しては追加のデータターミナルを使用します。
デジタル印刷機の接続についてはデジタル印刷機を接続するをご参照ください。
裁断機の接続についてはPolar 切断機を接続するをご参照ください。
作業工程リストの内容
ここではデータターミナル装置で後から装置用にスケジュールが立っている作業工程のみリストアップするのかどうかを決めることができます。
詳細は、作業工程リストの内容を参照してください。
•"スタートストップ合計量"
ジョブを処理する際に生産時間を"リアルタイム"で記録する場合は時間記録モードを選択します。すなわち、操作 (例:BDE メッセージ)を開始することによって、行動(例:"セットアップ")を開始します。続いて、次の行動(例:"折る")を開始すると、"セットアップ"が終了します。
"セットアップ"開始と"折り"開始の間の時間はセットアップ時間として計測されます。
•時間表示
この時間記録モードはジョブを処理する際にある作業の時間だけを記録する場合に選択します。それにより、ある作業のトータル時間のみが記録されることになります。作業を既に完了した場合でも、これは可能です。
詳細は、時間記録の種類を参照してください。
"スケジュールは設定せずにジョブのみを予約する"
このオプションは、たとえば Scheduler で計画できなかったデータターミナル装置のために、有効にします。オプションを有効化するとデータターミナルの"ジョブ"欄には未スケジュールジョブのみ表示されます。
ロールの割り当て
直接接続の場合と同様、データターミナル装置に複数のロールを割り当てることができます。
これは、機械にログインできる人を決めることを意味します。"オペレータ"ロールは通常は有効になっており、無効化することはできません。
オペレータの他にアシスタントも機械で作業を行う場合は、"アシスタント"ロールを有効にします。
"マルチオペレータ"ロールは同時に他の機械でも作業している担当者が機械で作業しているときに有効化します。印刷機の場合これは原則的にありえません。マルチオペレータはポストプレス機械で主として使用されます。
設定に関する詳細説明はロールの割り当てをご参照ください。
注記:デイシート及びアナライズポイントに時間はオーバーラップしている生産として表示されます。Business Manager 内では、開いている記帳を申告します。
"枚葉印刷機"装置分類のデータターミナル装置の登録時の例外的構成
デバイスクラス"枚葉印刷機"のデータターミナル装置の登録は、定義するいくつかの補助パラメータに至るまで他のデバイスクラスのデータターミナル装置と同様です。"用紙印刷機"を設置したくない場合には、デバイスアシスタント - "操作グループの割り当て"と"操作の割り当て" の説明に従って、続行してください。
以下ではその違いについてのみ説明します。
"デバイスクラス"ペーンで"枚葉印刷機"エントリを選択します。その他すべてのオプションはその他のデバイスクラスと同じです。
接続する印刷機を選択します(1)。マスターデータ格納にすでに作成されている印刷機のみが表示されます。
機械のプリセットを作成したい場合、"出力プリセットを有効化"オプションを有効化します(2)。
オプションが有効な場合運転データ取得のほか印刷機のプリセットも作成されます。これに代えてそのために必要な出力ディレクトリを作成してください。
詳細は、事前設定データの生成を構成をご参照ください。
ここでは印刷機に操作"型"を指定します。これは、ジョブの入力時にこの"型"を元にジョブのために印刷機において必要な通し数が計算されるために必要です。たとえば、反転装置の付いていない 8 色の印刷機があって、4/4 ジョブを印刷しなければならない場合、印刷ステップが 2 つ必要です。反転装置がある場合はは、通し数は1つのみになります。
デバイスアシスタント - "操作グループの割り当て"と"操作の割り当て"
装置アシスタントの次の2つのステップでは操作グループ及びそれぞれの操作を選択します。これらは続いてオペレータがデータターミナルで選択し、アナライズポイントへ送信できます。
どの操作グループ及び操作を選択できるかは装置の構成で設定します。それについてはオペレーショングループ(コストタイプによるグループ)を参照。
操作の割り当てはロール(オペレータ、アシスタント、マルチオペレータ)ごとに選択されます。
"ユーザーグループの割り当て"ペーンでデータターミナル装置にログオンすることができるユーザーグループがロールに割り当てられます。
•オペレータには少なくとも"*オペレータ"ユーザーグループが割り当てられます。例:"PostpressOperator"
•"アシスタント"には"*アシスタント"ユーザーグループを割り当てます。
•マルチオペレータには"*マルチユーザー"ユーザーグループを割り当てます。
バリアントとは個別のユニットから構成される機械構成です。その前に選択した装置タイプにより、異なるユニットがバリアントを組み合わせるために提供されます。
例えば、中綴じ機:
•バリエーション_1は、ユニット"丁合い"だけです。
•バリエーション_2は、ユニット"綴じ"とユニット"三方断裁機"です。
•バリアント_3 は、ユニット"綴じ"、ユニット"丁合い"そしてユニット"三方断裁機"です。
追加加工では、ジョブによっては異なるバリアントが必要になります。
生産コストの計算は使用したバリアントにより計算する為、各バリアントは独自のコストセンターに配属されています。コストセンター(コストセンター を参照)は前もって定義され、接続されているMISシステムと照合される必要があります。
•バリアント_1はコストセンター"5300、丁合い機 1"に割り当てられます。
•バリアント_2はコストセンター"5310、丁合い機 2"に割り当てられます。
•バリアント_3はコストセンター"5320、丁合い機 3"に割り当てられます。
データターミナルでジョブを読み込むとき、ジョブを生産するバリアントを選択します。
作業工程は、付け合せ、綴じ、挿入および切断などの作業工程のステップを含むことができます。しかし選択されたバリアントにはデバイスモジュール"綴じ金"および"三方断裁"しか含まれません。作業工程の処理におけるバリアント選択の影響については、データターミナルの取扱説明書の"ジョブを使用した作業"章で例を使って説明しています。
バリアントについて詳細説明はバリアントを作成をご参照ください。
デバイスアシスタントの最後の手順で、下の領域に、"標準セットアップ操作"と"アシスタントの標準操作"のデフォルト値を設定します。
説明: ジョブを開始するのにログインの必要がない機械があります。また、機械で実行された作業は、必ずしも手動で報告する必要がありません。たとえば、操作 (BDE メッセージ)をセットアップすることなく、ジョブを印刷機にロードし、印刷機の準備をして、ジョブを起動することができます。ただし評価には、1つのジョブのステータスメッセージと機械オペレータが記録される必要があります。そのため、実行された作業を機械で手動記録しない場合は、自動的に自動的に生成される操作(BDEメッセージ)をここで定義します。
アシスタント用標準操作: ロールの割当てで"アシスタント"を有効にした場合にのみ表示されます。ここでは"オペレータ"ロールを持つユーザーがこの装置にログオンし、作業工程を読み込む際、どの操作(BDEメッセージ)がアシスタントのために自動的に生成されるかを定義します。操作(BDEメッセージ)は"オペレータ"ロールのこのユーザーがこの装置でログオフして別の装置にログオンする際にも生成されます。その意味は、アシスタントが自動的に装置にログオンされ、このログオンプロセスをアシスタント自身により手動で行う必要がないことです。
デバイスアシスタントの"サマリ"ダイアログウィンドウで、オンライン接続されている印刷機と同様に"パレットラベルを有効にする"ことができます。詳細説明は刷板シートを作成するをご参照ください。
カウンターボックス付データターミナル装置の登録は"カウンターボックスの構成"ダイアログまでは カウンターボックス無しのデータターミナル装置の登録と同じです(データターミナル装置を登録を参照)。
ここで次にカウンターボックスが無いデータターミナル装置の登録との相違をご説明します。
接続方法
"接続"ペーンではリスト項目"カウンターボックス付きデータターミナル"を選択します。
ダイアログ"カウンタボックスの設定"
ここではカウンターボックスから機械に送られたトータライザの読み値の転送方法を定義します。
一般的な手順は次のようになっています:
•カウンターボックスを選択(1)
ここでは登録されているすべてのカウンターボックスを装置の構成から選択することができます。または1つのカウンターボックスを"新カウンターボックス"ボタンを使用して作成することもできます。新カウンターボックスを作成.を参照。
•新しい機械(装置)にチャネルを割り当てます(2)。
カウンターボックスごとに6本のチャネルを利用することができます。接続されている装置1つごとに1つのカウンターボックス。
•"印刷への自動切り替え"オプションを有効化 / 無効化(3)。
このオプションを使用すると、ここで設定した条件が満たされていれば、"印刷"(本生産)に自動的に切り替えることができます。そのため"印刷"の手動記録(本生産の開始)は必要ありません。
"操作"選択リストでは装置に割り当てられているすべての操作から選択が可能です。"印刷への自動切り替え"オプションが実行に移されされるようにするには、適切な操作を選択する必要があります。
次の2つのパラメータは常に同時に満足されていることが必要です。
·設定最小数量
·設定最低速度
実際には、これはたとえば用紙 10 枚の量が、 4000 [用紙 / 時間] で処理されたときに、初めて"継続"に切り換えられることを意味します。両方のパラメータのうちどちらかが設定と異なる場合には、"印刷"に切り替えられません。
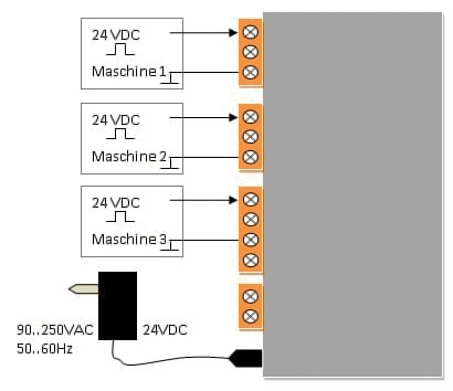
Heidelberg 社 の機械へのカウンターボックスの配線方法は機械によって異なります。以下に2種類の機械の配線図を示します。
カウンターボックスに関する詳しい説明はカウンターボックスに同梱されているIPCASマニュアルを参照してください。もっとも重要な2つのポイントを含む章を IPCAS マニュアルから以下に抜粋しました:
•カウンターボックスのIPアドレス: 3章: 運転開始
•カウンターボックスのインストール: 9.4章: コネクタ
バリアント 1
機械には24 VDCのセンサ/光バリアの出力が搭載されています。このバリアントでは3台 までの機械を接続できます。
注意:アース接続部(GND"接地")をブリッジすることはできません。2台の機械のアース接続部を絶対にブリッジしないでください。
バリアント 2
機械には無電圧状態の切り替え接触子が1つあります。このバリアントでは 6 台までの機械を接続できます。
1.装置を登録したコンピュータ上でデータターミナルを起動します。
2.プリネクトサーバーまたはクライアントで プリネクトコックピットを起動します。
3.[キュー]ペーンに切り換えます。
"Engine"欄には Engine"CDM"が表示され、"キュー"欄には以前入力した"装置名"が表示されているはずです。例の場合は"KH_78"です。
"状態"列には"開始済み"と表示されます。