Data Terminal-Gerät im Cockpit anlegen

Kurzüberblick über die erforderlichen Arbeitsschritte:

1.Künftige Data Terminal-Benutzer mit Personendaten (Personalnummer, Name, Vorname) in der Benutzerverwaltung des Prinect Cockpit anlegen.

2.Benutzer mindestens einer Benutzer-Gruppe zuweisen (siehe auch Wie weise ich einem Benutzer die Rechte einer bestimmten Rechte-Gruppe zu?).

3.Im Bereich "System" neue "CDM-Devices" für jede Data Terminal-Arbeitsstation anlegen (siehe Data Terminal-Gerät anlegen).

4.Passende Sequenz wird automatisch angelegt (z. B. vom Typ "SheetfedPrinting") (siehe auch Sequenz-Vorlage "Sheetfed Printing"). Dies ist nur für den Geräte-Typ "Bogendruck" erforderlich.

5.PPF-Import-Konfiguration wird automatisch angelegt (siehe auch Prozess anlegen/konfigurieren). Dies ist nur für den Geräte-Typ "Bogendruck" erforderlich und nur dann, wenn der PPF-Import genutzt werden soll.

6.Die Data Terminal-Software auf den entsprechenden Arbeitsstationen installieren (URL: http://Name des Prinect Server:6361/DTService-J).

Welche Arbeitsschritte müssen ausgeführt werden?

Damit Sie das Data Terminal nutzen können, müssen Sie folgende Arbeitsschritte ausführen:

1.Benutzer am Prinect Server anlegen.

Sie müssen einen Benutzer anlegen und im Bereich "Person" folgende Attribute eingeben:

·Personalnummer

·Vorname

·Nachname

2.Benutzer einer Benutzergruppe zuweisen

Der zuvor angelegte Benutzer muss mindestens der Benutzergruppe "*Operator", "*Assistent" oder "*MultiUser" zugewiesen werden. Z. B. "PostpressOperator" (für die Rolle "Bediener"; siehe Rollen), "PostpressAssistent" (für die Rolle "Hilfskraft") oder "PostPressMultiUser" (für die Rolle "Mehrfachbediener").

Hintergrund: Für jedes Data Terminal-Gerät wird beim Anlegen eine Benutzergruppe zugeordnet. Nur Benutzer, welche dieser Benutzergruppe angehören, können sich an diesem Data Terminal-Gerät anmelden.

Die angelegten Benutzer erscheinen am Data Terminal in einer Benutzerliste mit den zuvor genannten Attributen.

IconNote03825.jpg

Hinweis: Es können sich am Data Terminal nur Personen anmelden, die zuvor am Pri­nect Server korrekt angelegt wurden. Wie Sie einen neuen Benutzer anlegen, siehe Wie lege ich ein neues Benutzerkonto an?.

3.Data Terminal-Gerät am Prinect Server anlegen.

Am Prinect Server muss ein Data Terminal-Gerät angelegt werden. Der Prinect Server muss wis­sen, um was für ein Gerät (Vorstufenmaschine, Druckmaschine, Weiterverarbeitungsmaschine oder Handarbeitsplätze) es sich handelt und wo er die Auftragsdaten hinsenden soll. Die Geräte werden im Data Terminal im Menü "Einstellung Arbeitsplätze" angezeigt. Wenn Sie auf mehre­ren Arbeitsstationen das Data Terminal installiert haben, müssen Sie für jedes Data Terminal die gewünschten Geräte anlegen.

4.Neue Sequenz z. B. "SheetfedPrinting" wird automatisch angelegt.

IconNote03828.jpg

Hinweis: Nur beim Gerätetyp "Bogendruck".

Nähere Informationen zu dieser Sequenz siehe Sequenz-Vorlage "Sheetfed Printing".

5.PPF-Import-Konfiguration wird automatisch angelegt.

IconNote03831.jpg

Hinweis: Nur beim Gerätetyp "Bogendruck".

Der PPF-Eingangsordner ist notwendig, damit die Aufträge vom Prinect Server auch an das Data Terminal gesendet werden.

Zur Konfiguration des automatisch angelegten PPF-Eingangsverzeichnisses siehe Prozess anlegen/konfigurieren

6.Installation durchführen.

7.Geräte am Data Terminal aktivieren (siehe Data Terminal-Gerät aktivieren).

Data Terminal-Gerät anlegen

Ein Data Terminal-Gerät wird unabhängig vom Gerätetyp über den CDM in den Systemeinstellungen angelegt. Über das Kontextmenü "Gerät hinzufügen..." starten Sie den Geräteassistenten.

connecting_machines03834.jpg

data_terminal_3803835.png

 

Geräteassistent - Allgemein

Geräteklassen

Innerhalb der "Geräteklasse" wählen Sie den Maschinentyp aus, der über das Data Terminal Gerät angebunden werden soll. Eine Auflistung der Geräteklassen siehe Geräteklasse.

Anbindung

Im ersten Schritt des Geräteassistenten legen Sie unter "Anbindung" fest, dass es sich um eine Data Terminal Anbindung bzw. um eine Data Terminal Anbindung mit Zählerbox handelt.

Data Terminal

Diese Anbindungsart verwenden Sie für nicht online anbindbare Maschinen und Handarbeits­plätze.

Data Terminal Zählerbox

Diese Anbindungsart verwenden Sie, wenn Sie Maschinen einsetzen, die über eine Zählerbox den Totalisatorstand an das Data Terminal übermitteln. In diesem Fall brauchen Sie dann am Data Terminal keine manuelle Erfassung der produzierten Auflage vornehmen. Sie können pro Zählerbox bis zu sechs Maschinen anbinden.

Weitere Informationen finden Sie unter Zusätzliche Konfiguration zum Data Terminal-Gerät mit Zählerbox.

Data Terminal mit Maschine direkt

Diese Anbindungsart steht für die Geräteklassen "Schneidemaschine" und "Digitaldruck" zur Verfügung. Bei diesen Geräteklassen können Maschinen direkt angebunden werden, es werden allerdings keine Betriebsdaten zurückgesendet. Für die BDE-Meldungen (Operationen) wird ein zusätzliches Data Terminal verwendet.

Für die Anbindung einer Digitaldruckmaschine siehe Digitaldruckmaschinen anbinden.

Für die Anbindung einer Schneidmaschine siehe Polar Schneidemaschine anbinden.

Inhalt der Arbeitsgangliste

Hier können Sie entscheiden, ob später am Data Terminal-Gerät nur Arbeitsgänge aufgelistet werden, die ausgeführt werden können oder auch solche, die bereits für das Gerät eingeplant sind.

Weitere Informationen siehe Inhalt der Arbeitsgangliste.

Arten der Zeiterfassung

Start Stop summierte Menge

Wählen Sie diesen Zeiterfassungsmodus aus, wenn Sie bei der Verarbeitung eines Auftrages die Produktionszeiten in "Echtzeit" erfassen möchten. Das beutet, Sie beginnen eine Tätigkeit (z. B. "Einrichten"), indem Sie die Operation (BDE-Meldung) starten. Wenn Sie anschließend die nächste Tätigkeit starten (z. B."Falzen"), wird das "Einrichten" beendet.

Die Zeit zwischen dem Starten "Einrichten" und dem Starten "Falzen" wird als Einrichtezeit erfasst.

Zeitangabe

Wählen Sie diesen Zeiterfassungsmodus aus, wenn Sie bei der Verarbeitung eines Auftrages nur die Dauer einer Tätigkeit erfassen möchten. Das bedeutet, dass nur die Gesamtzeit einer Tätig­keit erfasst wird. Und dies auch erst, nachdem Sie die Tätigkeit bereits abgeschlossen haben.

Weitere Informationen siehe Arten der Zeiterfassung.

Nur ungeplant auf Aufträge buchen

Diese Option aktivieren Sie z. B.für Data Terminal-Geräte, die Sie im Scheduler nicht einplanen möchten. Bei aktiver Option erscheinen im Data Terminal in der Spalte "Aufträge" nur ungeplante Aufträge.

Zuweisung von Rollen

Wie bei einer Direktanbindung können Sie dem Data Terminal Gerät mehrere Rollen zuordnen.

Das bedeutet, Sie definieren, wer sich alles an der Maschine anmelden kann. Die Rolle "Bediener" ist standardmäßig aktiviert und kann auch nicht deaktiviert werden.

Aktivieren Sie die Rolle "Hilfskraft", wenn an der Maschine außer dem Bediener auch noch Hilfskräfte mitarbeiten.

Aktivieren Sie die Rolle "Mehrfachbediener", wenn an der Maschine ein Mitarbeiter arbeitet, der gleichzeitig an einer anderen Maschine arbeitet. Das ist bei Druckmaschinen in der Regel nicht der Fall. Der Mehrfachbediener wird vorwiegend für Weiterverarbeitungsmaschinen verwendet.

Eine nähere Erläuterung zu den Rollen siehe Zuweisung von Rollen.

IconNote03836.jpg

Hinweis: Im Tageszettel und im Analyze Point werden die Zeiten als überlappende Pro­duktion angezeigt. Im Business Manager werden offene Buchungen angegeben.

Abweichende Konfiguration beim Anlegen eines Data Terminal-Gerätes der Geräteklasse "Bogendruckmaschine"

Das Anlegen eines Data Terminal-Gerätes mit der Geräteklasse "Bogendruckmaschine" ist, bis auf einige zu definierende Zusatzparameter, identisch mit einem Data Terminal-Gerät einer anderen Geräteklasse. Wenn Sie keine "Bogendruckmaschine" anlegen möchten, fahren Sie wie unter Geräteassistent - "Zuweisung von Operationsgruppen" und "Zuweisen von Ope-rationen" beschrieben fort.

Nachfolgend werden hier nur die Unterschiede beschrieben.

Geräteklasse und Anbindungsart definieren

Druckmaschinen Auswahl

Ausgabe Voreinstelldaten aktivieren

Anzahl der Druckwerke und Optionen definieren

Druck aktivieren

Geräteklasse und Anbindungsart definieren

Im Bereich "Geräteklasse" wählen Sie den Eintrag "Bogendruckmaschine" aus. Alle weiteren Optio­nen sind identisch zu den weiteren Geräteklassen.

Druckmaschinen Auswahl

dt_postpress_assistent_09.png

 

Wählen Sie die Druckmaschine aus, die Sie anbinden möchten (1). Es werden nur Druckmaschinen angezeigt, die bereits im Master Data Store angelegt sind.

Ausgabe Voreinstelldaten aktivieren

Wenn Sie Voreinstelldaten für die Maschine generieren wollen, aktivieren Sie die Option "Ausgabe Voreinstelldaten aktivieren" (2).

Bei aktivierter Option werden neben der Betriebsdatenerfassung Voreinstelldaten für die Druckma­schine bereitgestellt. An dieser Stelle legen Sie das dafür notwendige Ausgabeverzeichnis an.

Für detaillierte Informationen siehe Generierung der Voreinstelldaten konfigurieren.

Anzahl der Druckwerke und Optionen definieren

Hier "modellieren" Sie sich Ihre Druckmaschine nach. Dies ist notwendig, da beim Auftragseingang anhand dieses "Modells" berechnet wird, wie viele Druckgänge an der Druckmaschine für den Auf­trag notwendig sind. Wenn Sie z. B. eine 8-Farben-Druckmaschine ohne Wendeeinrichtung haben, und ein 4/4-Auftrag gedruckt werden soll, benötigen Sie zwei Druckgänge. Mit einer Wendeeinrich­tung nur einen Druckgang.

dt_postpress_assistent_11.png

 

Geräteassistent - "Zuweisung von Operationsgruppen" und "Zuweisen von Ope­rationen"

In den nächsten beiden Schritten des Geräteassistenten wählen Sie die Operationsgruppen und deren jeweilige Operationen aus. Diese können anschließend am Data Terminal vom Bediener ausgewählt und an den Analyze Point gesendet werden.

Welche Operationsgruppen und Operationen ausgewählt werden können, wird in der Gerätekonfigu­ration eingestellt. Siehe dazu Arbeitsvorgangsgruppen (Kostenarten-Gruppen).

Die Zuweisung der Operationen wird für jede Rolle (Bediener, Hilfskraft und Mehrfachbediener) ein­zeln ausgewählt.

Geräteassistent - Zuweisung von Benutzergruppen

Im Bereich "Zuweisung von Benutzergruppen" werden den Rollen Benutzergruppen zugewiesen, die sich am Data Terminal Gerät anmelden dürfen.

Dem Bediener wird mindestens die Benutzergruppe "*Operator zugewiesen. Z. B. "PostpressO­perator"

Der Hilfskraft muss die Benutzergruppe "*Assistent" zugewiesen werden.

Dem Mehrfachbediener muss die Benutzergruppe "*MultiUser" zugewiesen werden.

Geräteassistent - Varianten anlegen

Unter einer Variante versteht man eine Maschinenkonfiguration die sich aus einzelnen Aggregaten zusammensetzt. In Abhängigkeit des zuvor gewählten Gerätetyps stehen unterschiedliche Aggregate für die Zusammenstellung einer Variante zur Verfügung.

Beispiel Sammelhefter:

Variante_1 besteht nur aus dem Aggregat "Sammeln".

Variante_2 besteht aus den Aggregaten "Heften" und "Dreischneider".

Variante_3 besteht aus den Aggregaten "Sammeln", Heften" und "Dreischneider".

Gerade in der Weiterverarbeitung werden, in Abhängigkeit des Auftrages, unterschiedliche Varianten benötigt.

Damit auch die Berechnung der Produktionskosten in Abhängigkeit der verwendeten Variante erfol­gen kann, wird jeder Variante eine eigene Kostenstelle zugewiesen. Die Kostenstellen (siehe Kostenstellen ) müssen zuvor definiert und mit dem angebundenen Management Infor­mation-System abgeglichen werden.

Der Variante_1 wird die Kostenstelle "5300, Sammelhefter 1" zugewiesen.

Der Variante_2 wird die Kostenstelle "5310, Sammelhefter 2" zugewiesen.

Der Variante_3 wird die Kostenstelle "5320, Sammelhefter 3" zugewiesen.

Wenn Sie nun am Data Terminal einen Auftrag laden, müssen Sie die Variante auswählen, mit dem Sie den Auftrag produzieren.

Ein Arbeitsgang kann z. B. die Arbeitsgangschritte Sammeln, Heften, Einstecken und Schneiden bein­halten. Die ausgewählte Variante besteht aber nur aus den Aggregaten "Heften" und "Dreischneiden". Die Auswirkungen der Variantenauswahl bei der Bearbeitung eines Arbeitsgangs wird in der Bedie­nungsanleitung des Data Terminals im Kapitel "Arbeiten mit Aufträgen" an einem Beispiel erläutert.

Weitere Informationen zu den Varianten siehe Varianten anlegen.

Geräteassistent - Zusammenfassung

Im letzten Schritt des Geräteassistenten stellen Sie im unteren Bereich die Defaultwerte für "Stan­dard-Rüstoperation" und "Standard-Operation für Hilfskraft" ein.

Erläuterung: Es gibt Maschinen, an denen keine Anmeldung erforderlich ist, um einen Auftrag zu starten. Zudem müssen Tätigkeiten, die an der Maschine durchgeführt wurden, nicht notwendi­gerweise manuell zurückgemeldet werden. Z. B.kann der Auftrag an der Maschine geladen, die Maschine aufgerüstet und der Auftrag begonnen werden ohne eine Operation (BDE-Meldung) zu erfassen. Für die Auswertung ist es jedoch notwendig, dass der Maschinenbediener und Status­meldungen zu einem Auftrag erfasst werden. Deshalb definieren Sie hier Operationen (BDE-Mel­dungen), die automatisch generiert werden, wenn die durchgeführten Tätigkeiten an der Maschine nicht manuell erfasst werden.

Standard-Operation für Hilfskraft: Nur sichtbar, wenn Sie bei der Rollen-Zuweisung die "Hilf­kraft" aktiviert haben. Hier definieren Sie, welche Operation (BDE-Meldung) für die Hilfskraft automatisch generiert wird, wenn sich ein Benutzer in der Rolle "Bediener" an diesem Gerät anmeldet und einen Arbeitsgang lädt. Die Operation (BDE-Meldung) wird auch generiert, wenn sich dieser Benutzer in der Rolle "Bediener" an diesem Gerät ab und an einem anderen Gerät anmeldet. Das bedeutet, dass die Hilfskraft automatisch an dem Gerät angemeldet wird und dies nicht manuell durch die Hilfskraft erfolgen muss.

Druck aktivieren

Im Dialogfenster "Zusammenfassung" des Geräteassistent können Sie wie bei einer online angebun­denen Druckmaschinen den "Palettenzettel aktivieren". Eine detaillierte Beschreibung siehe Plattenzettel erzeugen.

Zusätzliche Konfiguration zum Data Terminal-Gerät mit Zählerbox

Das Anlegen eines Data Terminal-Gerätes mit Zählerbox ist, bis auf ein weiteres Dialogfenster "Kon­figuration Zählerbox", identisch mit der Anlage eines Data Terminal-Gerätes ohne Zählerbox (siehe Data Terminal-Gerät anlegen).

Nachfolgend werden hier nur die Unterschiede zur Anlage eines Data Terminal-Gerätes ohne Zähler­box beschrieben.

Anbindungsart

Im Bereich "Anbindung" muss der Listeneintrag "Data Terminal mit Zählerbox" ausgewählt werden.

Dialog "Konfiguration Zählerbox"

data_terminal_25.png

 

Hier müssen Sie definieren, wie der von der Zählerbox der Maschine gelieferte Totalisatorstand über­mittelt wird.

Die allgemeine Vorgehensweise sieht wie folgt aus:

Zählerbox auswählen (1)

Hier stehen alle angelegten Zählerboxen aus der Gerätekonfiguration zur Auswahl. Alternativ können Sie eine Zählerbox über den Button "neue Zählerbox" anlegen. Siehe Neue Zählerbox anlegen.

Der neuen Maschine (Gerät) einen Kanal zuweisen (2).

Für jede Zählerbox stehen 6 Kanäle zur Verfügung. Eine je angeschlossenes Gerät.

Option "Automatisches Umschalten auf Fortlauf" aktivieren/deaktivieren (3).

Über diese Option können Sie automatisch auf "Fortlauf" (Gutproduktion) umschalten, sobald die hier eingestellten Bedingungen erfüllt sind. Das bedeutet, dass keine manuelle Erfassung des "Fortlaufs" (Start-Gutproduktion) notwendig ist.

In Der Auswahlliste "Operationen" werden alle, dem Gerät zugewiesenen, Operationen zur Aus­wahl angezeigt. Damit die Option "Automatisches Umschalten auf Fortlauf" umgesetzt werden kann, muss eine sinnvolle Operation ausgewählt werden.

Die folgenden zwei Parameter müssen immer gleichzeitig erfüllt sein:

·eingestellte Mindestmenge

·eingestellte Mindestgeschwindigkeit

In der Praxis bedeutet dies, dass erst auf "Fortlauf" umgeschaltet wird, wenn z. B. eine Menge von 10 Bogen mit einer Geschwindigkeit von 4000 [Bg/h] verarbeitet wurden. Es wird nicht auf "Fortlauf" umgeschaltet, wenn nur einer der beiden Parameter von den Einstellungen abweicht.

Zählerbox-Verdrahtungsplan

Wie die elektrische Verdrahtung der Zählerbox an einer Heidelberg-Maschine erfolgen muss, ist abhängig von der Maschine. Nachfolgend sind die Verdrahtungspläne für zwei Maschinenvarianten dargestellt.

Eine ausführliche Beschreibung zur Zählerbox finden Sie im IPCAS-Handbuch, dass der Zählerbox beiliegt. Für die zwei wichtigsten Punkte haben wir für Sie, aus dem IPCAS-Handbuch, die entspre­chenden Kapitel bereits herausgesucht:

IP-Adresse der Zählerbox: Kapitel 3: Inbetriebnahme

Installation der Zählerbox: Kapitel 9.4: Steckerbelegung

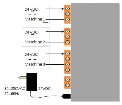
Variante 1

Die Maschine hat einen Sensor-/Lichtschrankenausgang mit 24 VDC. Bei dieser Variante können maximal drei Maschinen angeschlossen werden.

IconDangerInjury.jpg

Vorsicht: Die Erdungs-Anschlüsse (GND "Ground") dürfen nicht "überbrückt" werden. "Überbrücken" Sie niemals die Erdungs-Anschlüsse von zwei Maschinen.

data_terminal_30.png

 

Variante 2

Die Maschine hat einen potentialfreien Schaltkontakt. Bei dieser Variante können maximal sechs Maschinen angeschlossen werden.

data_terminal_31.png

 

Woran kann ich erkennen, dass das Data Terminal-Gerät korrekt arbeitet?

1.Starten Sie das Data Terminal auf dem Rechner, für den Sie das Gerät angelegt haben.

2.Starten Sie am Prinect Server oder an einem Client das Prinect-Cockpit.

3.Wechseln Sie in den Bereich "Warteschlangen".

In der Spalte "Engine" muss nun die Engine "CDM" aufgeführt sein, und in der Spalte "Warte­schlange" steht der "Gerätename" den Sie zuvor eingegeben haben. In unserem Beispiel "KH_78".

In der Spalte "Status" muss "Gestartet" stehen.

HD Datenschutzerklärung  |  Impressum  |  Prinect Know How