필요 작업 단계 개요:
1.Prinect Cockpit의 사용자 관리에 개인 정보(개별 번호, 이름)가 포함된 차후 Data Terminal 사용자를 생성하십시오.
2.사용자를 최소 하나의 사용자 그룹에 할당하십시오(사용자에 특정 권한 그룹의 권한 할당도 참조).
3."시스템" 영역에서 Data Terminal 작업 스테이션을 위한 새 "CDM-Devices"를 생성하십시오(Data Terminal 장치 생성 참조).
4.적합한 시퀀스가 자동 생성됩니다(예: "SheetfedPrinting" 형식)("Sheetfed Printing" 시퀀스 템플릿도 참조). 이는 장치 타입 "시트 인쇄"에만 필요합니다.
5.PPF 가져오기 구성이 자동 생성됩니다(프로세스 생성/구성도 참조). 이는 장치 타입 "시트 인쇄"와 PPF 가져오기를 사용해야 하는 경우에만 필요합니다.
6.Data Terminal 소프트웨어를 해당 작업 스테이션에 설치하십시오(URL: http://Prinect 서버 이름:6361/DTService-J).
Data Terminal을 이용할 수 있으려면 다음의 작업 단계를 수행해야 합니다:
1.Prinect 서버에 사용자 생성
사용자를 만들고 "개인" 영역에 다음의 속성을 입력해야 합니다.
·개별 번호
·이름
·성
2.사용자 그룹에 사용자 할당
이전에 생성된 사용자는 최소 사용자 그룹 "*작동자" 및 "*어시스턴트" 또는 "*다중 사용자"에 할당되어야 합니다. 예: "PostpressOperator"("조작자" 역할, 역할 참조), "PostpressAssistent"("어시스턴트" 역할) 또는 "PostPressMultiUser"("다중 조작자" 역할)
이유: 생성 시 사용자 그룹이 각 Data Terminal 장치에 할당됩니다. 이 사용자 그룹에 속하는 사용자만이 이 Data Terminal 장치에 로그인할 수 있습니다.
생성된 사용자는 Data Terminal에서 사용자 목록에 앞서 말한 속성과 함께 나타납니다.
지침: Data Terminal에는 이전에 Prinect 서버에 올바르게 생성된 사용자만이 로그인할 수 있습니다. 새로운 사용자 생성 방법은 새로운 사용자 계정을 어떻게 생성하는가? 참조
3.Prinect 서버에 Data Terminal 장치 생성
Prinect 서버에 Data Terminal 장치를 생성해야 합니다. Prinect 서버는 장치(인쇄 전 기계, 인쇄기, 인쇄 후 기계 또는 수동 작업소) 종류 및 작업 데이터 전송 위치를 알아야 합니다. 장치는 "작업장 설정" 메뉴의 Data Terminal에 표시됩니다. 만일 여러 개 워크 스테이션에서 Data Terminal을 설치할 경우, 반드시 각 Data Terminal에 필요되는 장치를 추가해야 한다.
4.새로운 시퀀스(예: "SheetfedPrinting")가 자동 생성됩니다.
지침: "시트 인쇄" 장치 유형의 경우에만 해당
이 시퀀스에 대한 자세한 정보는 "Sheetfed Printing" 시퀀스 템플릿 참조
5.PPF 가져오기 구성이 자동 생성됩니다.
지침: "시트 인쇄" 장치 유형의 경우에만 해당
Prinect 서버에서 Data Terminal로 작업을 전송하는 경우에도 PPF 입력 폴더가 있어야 합니다.
자동 생성된 PPF 입력 디렉토리 구성에 대해서는 프로세스 생성/구성 참조
6.설치를 실행합니다.
7.Data Terminal의 장치를 활성화하십시오(Data Terminal 장치 활성화하기 참조).
Data Terminal은 장치 유형과 무관하게 CDM을 통해 시스템 설정에서 생성합니다. 컨텍스트 메뉴 "장치 추가..."를 통해 장치 어시스턴트를 시작하십시오.

기기 등급
"장치 등급" 내에서 Data Terminal 장치를 통해 연결할 기계 유형을 선택하십시오. 장치 등급 목록은 장치 등급 참조.
연결
장치 어시스턴트의 첫 번째 단계에서는 "연결"에서 Data Terminal 연결인지 또는 카운터 박스가 있는 Data Terminal 연결인지 규정하십시오.
•Data Terminal
이 연결 종류는 온라인으로 연결할 수 없는 기기 및 수동 작업소에 대해 사용합니다.
•Data Terminal 카운터 박스
카운터 박스를 통해 총량 계산기 상태를 Data Terminal에 알리는 기기를 사용할 경우 이 연결 종류를 사용합니다. 이 경우 Data Terminal에서 생산된 인쇄 매수를 수동으로 수행할 필요가 없습니다. 카운터 박스 당 최고 6대의 기기까지 연결할 수 있습니다.
자세한 정보는 카운터 박스가 있는 Data Terminal 장치 추가 구성에서 찾아볼 수 있습니다.
•기계와 Data Terminal 직접 연결
이 연결 종류는 장치 등급 "커팅기"와 "디지털 인쇄"에 사용할 수 있습니다. 이 장치 등급에서는 기계를 직접 연결할 수 있습니다. 하지만 운용 데이터가 다시 전송되지 않습니다. PDC 메시지(조작)에는 추가 Data Terminal이 사용됩니다.
디지털 인쇄기 연결은 디지털 인쇄기 연결 참조
커팅기 연결은 Polar 커팅기 생성 시 특징 참조
공정 목록 내용
여기서 Data Terminal 장치에 실행할 수 있는 공정 목록만 만들 것인지, 또는 장치에 이미 계획된 모든 공정 목록을 만들 것인지 결정할 수 있습니다.
자세한 정보는 공정 목록 내용 참조
•시작 정지 합산된 분량
작업 처리시 생산 시간을 "실시간"으로 기록하려면 이 시간 감지 모드를 선택합니다. 즉 조작(PDC 메시지)을 시작하여 작업(예: "설정")을 시작합니다. 이어서 다음 작업을 시작하면(예: "접기") "설정"이 종료됩니다.
"설정" 시작과 "접기" 시작 사이의 시간은 설정 시간으로 감지됩니다.
•시간 지정
작업 처리시 작업의 시간만 기록하려면 이 시간 감지 모드를 선택합니다. 이는 작업의 전체 시간만이 기록된다는 의미입니다. 작업이 종료한 후에만 적용 가능합니다.
자세한 정보는 시간 레코딩 종류 참조
계획되지 않은 작업 예약
이 옵션은 예를 들어 스케줄러에서 계획하고자 하지 않은 Data Terminal 장치에 대해 활성화할 수 있습니다. 옵션이 활성화되면 Data Terminal의 "작업" 란에 계획되지 않은 작업만 표시됩니다.
기능 할당
직접 연결 시와 같이 Data Terminal 장치에 여러 역할을 할당할 수 있습니다.
즉, 기계에서 로그인할 수 있는 사람을 정의한다는 의미입니다. "조작자"의 역할은 기본적으로 활성화되어 있으며 비활성화될 수 없습니다.
조작자 외에 보조 요원이 함께 작업할 경우 "어시스턴트" 역할을 활성화합니다.
한 직원이 서로 다른 기계에서 동시에 작업하는 경우 "다중 조작자" 역할을 활성화하십시오. 이는 일반적으로 인쇄기에는 해당하지 않습니다. 다중 조작자는 주로 인쇄 후 기계에서 사용됩니다.
역할에 대한 자세한 설명은 기능 할당 참조
지침: 일지와 Analyze Point에 시간이 중복 생산으로 표시됩니다. Prinance와 Business Manager에는 계획되지 않은 예약이 지정됩니다.
"시트 인쇄기" 장치 등급의 Data Terminal 장치를 만들 때 구성의 차이점
장치 등급이 "시트 인쇄기"인 Data Terminal 장치 생성은 정의될 개별 추가 매개변수를 제외하고, 다른 장치 등급의 Data Terminal 장치와 동일합니다. "시트 인쇄기"를 생성하지 않으려면 장치 어시스턴트- "조작그룹 할당" 과 "조작 할당하기" 절을 실행하십시오.
다음에서 이 차이점이 설명됩니다.
"장치 등급" 영역에서 "시트 인쇄기" 항목을 선택하십시오. 다른 모든 옵션은 다른 장치 등급과 동일합니다.
연결하려는 인쇄기를 선택하십시오(1). Master Data Store에 이미 생성된 인쇄기만 표시됩니다.
기계의 기본 설정 데이터를 생성하려면 옵션 "기본 설정 데이터 출력 활성화"를 활성화하십시오(2).
이 옵션이 활성화되면 운용 데이터 수집 외에 인쇄기 기본 설정 데이터도 전송됩니다. 이 위치에 필요한 출력 디렉토리를 생성하십시오.
자세한 정보는 기본 설정 데이터 생성 구성 참조
여기에서 인쇄기를 재"모델링"하십시오. 이것은 작업에 대해 인쇄기에서 몇 개의 인쇄 절차가 필요한지 작업이 들어올 때 이 "모델"을 통해 산출되기 때문에 중요합니다. 예를 들어 양면장치 없는 8색의 인쇄기를 가지고 있고 4/4-작업을 인쇄해야 할 경우 두 개의 인쇄 절차가 필요합니다. 양면장치를 사용할 경우에는 하나의 인쇄 절차만 필요합니다.
장치 어시스턴트- "조작그룹 할당" 과 "조작 할당하기"
장치 어시스턴트의 다음 두 단계에서는 조작 그룹과 각 조작을 선택합니다. 이는 이어서 조작자가 Data Terminal에서 선택하고 Analyze Point로 전송할 수 있습니다.
선택 가능한 조작 그룹과 조작은 장치 구성에서 설정합니다. 자세한 내용은 조작 그룹(비용 유형 그룹)을 참조하십시오.
각 역할(조작자, 어시스턴트, 다중 조작자)에 대해 각각 조작 할당을 선택합니다.
"사용자 그룹 할당" 영역에서는 Data Terminal 장치에 로그인할 수 있는 사용자 그룹을 역할에 할당합니다.
•최소한 "*Operator" 사용자 그룹이 조작자에게 할당됩니다. 예: "PostpressOperator".
•어시스턴트에게는 사용자 그룹 "*Assistent"가 할당되어야 합니다.
•사용자 그룹 "*다중 사용자"는 다중 조작자에 할당되어야 합니다.
변형이란 개별 장치가 결합되어 구조된 기기 구성을 의미합니다. 앞서 선택된 기기 유형에 따라 변형의 설치를 위해 서로 다른 장치가 사용됩니다.
예 중철기:
•변형_1은 "수집" 모듈로만 구성되어 있습니다.
•변형_2는 "제책" 및 "삼면 재단기" 모듈로 구성되어 있습니다.
•변형_3은 "수집", "제책" 및 "삼면 재단기"로 구성되어 있습니다.
인쇄 후의 경우 작업에 따라 여러 변형이 필요합니다.
사용된 변형에 따라 생산 비용을 계산할 수 있도록 각각의 변형에는 자체의 비용 센터가 할당됩니다. 비용 센터(비용 센터 참조)는 미리 정의해야 하며 연결된 Management Information 시스템과 동기화해야 합니다.
•사양_1에는 "5300, 중철기 1" 비용 센터가 할당됩니다.
•사양_2에는 "5310, 중철기 2" 비용 센터가 할당됩니다.
•사양_3에는 "5320, 중철기 3" 비용 센터가 할당됩니다.
Data Terminal에서 작업을 로드하면 작업을 공정하는 데 사용할 변형을 선택해야 합니다.
공정은 예를 들어 수집, 묶기, 삽입 및 절단이 포함됩니다. 하지만 선택한 변형은 "묶기" 및 "삼면 재단"으로만 구성되어 있습니다. 공정 처리시 변형 선택의 효과는 데이터 터미널 사용 설명서의 "주문이 있는 작업" 장에 예제를 통해 설명됩니다.
사양에 대한 자세한 정보는 변형 생성 참조
장치 어시스턴트의 마지막 단계에서는 하단 영역에서 "표준 셋업 작동" 및 "어시스턴트의 기본 작업"에 대한 기본값을 설정합니다.
설명: 작업을 시작하기 위해 로그인하지 않아도 되는 기계가 있습니다. 게다가 기기에서 수행되었던 작업을 반드시 수동으로 확인해야 할 필요가 없습니다. 예를 들어 조작(PDC 메시지)을 감지하지 않은 상태에서 작업을 기계에 로드하고, 기계를 준비하며 작업을 시작할 수 있습니다. 하지만 분석하려면 기기 조작자와 작업에 대한 상태 메시지를 수집해야 합니다. 그러므로 실행한 작업이 기계에서 수동으로 감지되지 않은 경우, 여기서 자동 생성되는 조작(PDC 메시지)을 정의합니다.
어시스턴트의 기본 조작: 역할 할당에서 "어시스턴트"를 활성화한 경우에만 표시됩니다. "조작자" 역할의 사용자가 이 장치에 로그인되어 있고 공정을 로드하는 경우, 여기서 자동 생성할 어시스턴트 조작(PDC 메시지)을 정의합니다. "조작자" 역할의 사용자가 이 장치에서 로그아웃하고 다른 장치에 로그인하는 경우에도 조작(PDC 메시지)이 생성됩니다. 즉 어시스턴트가 장치에 자동 로그인되고 어시스턴트를 통해 수동으로 로그인하지 않아도 됩니다.
장치 어시스턴트의 "요약" 대화상자 창에서 온라인으로 연결된 인쇄기와 마찬가지로 "팔레트 라벨 활성화"를 실행할 수 있습니다. 자세한 설명은 팔레트 라벨 만들기 참조
카운터 박스가 있는 Data Terminal 장치 추가 구성
카운터 박스가 있는 Data Terminal 장치 생성은 다른 "카운터 박스 구성" 대화상자 창을 제외하고, 카운터 박스가 없는 Data Terminal 장치의 생성과 동일합니다(Data Terminal 장치 생성 참조).
다음에는 카운터 박스가 없는 Data Terminal 기기의 설치와 다른 점이 설명됩니다.
연결 종류
"연결" 영역에서 "카운터 박스가 있는 데이터 터미널" 목록 항목을 선택해야 합니다.
"카운터 박스 구성" 대화상자
여기서 기계의 카운터 박스에서 전달된 총량 계산기 상태 전송 방법을 정의해야 합니다.
일반적인 방법은 다음과 같습니다.
•카운터 박스 선택(1)
여기서 장치 구성에서 생성된 모든 카운터 박스를 선택할 수 있습니다. 또한 "새 카운터 박스" 버튼으로 카운터 박스를 생성할 수도 있습니다. 새 카운터 박스 만들기를 참조하십시오.
•채널에 새 기계(장치) 할당(2)
각 카운터 박스에 채널 6개를 사용할 수 있습니다. 연결된 각 장치
•"인쇄 진행 자동 스위치" 옵션 활성화/비활성화(3)
이 옵션을 사용하여 설정된 조건이 만족되면 자동으로 "인쇄 진행"(제품 생산)으로 전환할 수 있습니다. 이는 "인쇄 진행"(제품 생산 시작)의 수동 감지가 필요하지 않다는 의미입니다.
"작업" 선택 목록에서 장치에 할당된 모든 작업이 선택 사항으로 표시됩니다. "인쇄 진행으로 자동 전환" 옵션을 실행할 수 있으려면 적합한 작업을 선택해야 합니다.
다음의 두 매개변수는 항상 동시에 만족해야 합니다:
·설정된 최소 수량
·설정된 최소 속도
실제 상황에서는 예를 들어 10장의 시트 수량이 4,000 [Bg/h]의 속도로 처리되어야만 "인쇄 진행"으로 전환됩니다. 두 매개변수 중 하나라도 설정에서 벗어날 경우에는 "인쇄 진행"으로 전환되지 않습니다.
하이델베르크 기기의 카운터 박스 전기 배선을 수행하는 방법은 기계에 따라 다릅니다. 다음에는 두 기기 변형에 대한 배선도가 표시됩니다.
카운터 박스에 대한 자세한 설명은 카운터 박스에 첨부된 IPCAS 설명서를 참조하십시오. 두 가지 주요 사항을 IPCAS 안내서의 해당 장에서 발췌하여 제시합니다.
•카운터 박스 IP 주소: 3장: 작동 개시
•카운터 박스 설치: 9.4장: 커넥터 배열
변형 1
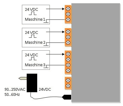
기계에는 24VDC의 센서/라이트 배리어 출력부가 있습니다. 이 변형에서는 최대 3대의 기기가 연결될 수 있습니다.
주의: 접지 연결부(GND "Ground")를 "브릿지"하면 안 됩니다. 2개 기계의 접지 연결부를 절대 "브릿지"하지 마십시오.
변형 2
기계에는 무전압 스위칭 접촉부가 있습니다. 이 변형에는 최대 6대의 기기가 연결될 수 있습니다.
Data Terminal장치가 올바르게 작동한다는 것을 어디서 확인할 수 있습니까?
1.장치를 생성한 컴퓨터의 Data Terminal을 시작하십시오.
2.Prinect 서버 또는 클라이언트에서 Prinect Cockpit을 시작하십시오.
3."대기열" 영역으로 이동하십시오.
이제 "엔진" 열에 "CDM" 엔진이 나열되어 있어야 하며 "대기열" 열에는 이전에 입력한 "장치 이름"이 있습니다. 이 예제에서는 "KH_78"입니다.
"상태" 열에는 "시작됨"이 표시되어야 합니다.