所需工作步骤一览:
1.必须在 Prinect Cockpit 用户管理中创建未来的数据终端-用户和人员数据(人员编号、姓名)。
2.用户至少分配给一个用户组(参见如何为用户分配特定权限组的权限?)。
3.在"系统"区域针对每个数据终端-工位选取新的"CDM 装置"(参见添加数据终端-装置)。
4.自动添加合适的序列(例如由类型"SheetfedPrinting")(参见"Sheetfed Printing"序列模版)。仅对于装置类型"单张纸印刷"需要。
5.自动添加 PDF 输入配置(参见添加/配置过程)。仅对于装置类型"单张纸印刷"和使用 PPF 输入时需要。
6.数据终端-软件安装到相应的工位(URL: http://Name des Prinect Server:6361/DTService-J)。
为了您能够使用数据终端,您必须执行下列工作步骤:
1.在 Prinect Server 上添加用户。
您必须添加一个用户,并在"人员"区域中输入下列属性:
·人员编号
·名
·姓
2.分配用户的用户组
之前添加的用户至少分配为"*操作者"、"*助手"或者"*多用户"等用户组。例如"印后操作者"(用于角色"操作者";见角色),"印后助手"(用于角色"辅助人员")或者"印后多用户"(用于角色"多任务操作者")。
背景:每种数据终端装置在添加过程中都需要分配一个用户组。只有属于该用户组的用户,才可以登录到这台数据终端装置上。
添加的用户将在数据终端上的用户列表中显示上述属性。
提示:只有在 Prinect Server 上正确添加的人员方可登录数据终端。如何添加新用户见我如何创建一个新的用户帐户?。
3.在 Prinect Server 上添加数据终端装置。
在 Prinect Server 上必须添加一个数据终端装置。Prinect Server 必须了解所涉及的装置(预处理装置、印刷机、后续处理装置或手工工位)以及需要发送活件数据的位置。装置在数据终端的"工作台设置"菜单中显示。如果您在多个工位上安装数据终端,那么您必须为每个数据终端添加所需的装置。
4.自动添加新的序列,如 "SheetfedPrinting"。
提示:仅对于装置类型"单张纸印刷"。
序列的详细信息见"Sheetfed Printing"序列模版。
5.PPF 输入配置将自动添加。
提示:仅对于装置类型"单张纸印刷"。
PPF 输入文件夹是必需的,以便可以将 Prinect 服务器的活件发送给数据终端。
关于配置自动添加的 PPF 输入目录见添加/配置过程。
6.实施安装。
7.激活数据终端上的装置(见激活数据终端装置)。
与装置类型无关,数据终端-装置通过 CDM 添加至系统设置中。通过快捷方式菜单"添加装置.."开启装置助手。

装置分类
在"装置分类"中选择通过数据终端连接装置的装置类型。装置分类清单见装置等级。
连接
在装置助手的第一步请在"连接"中确定是关于数据终端连接还是关于数据终端和计数器盒的连接。
•数据终端
此连接类型适用于脱机装置和手动操作台。
•数据终端计数器盒
当您通过一个计数盒将累积计算器的内容传输到到数据终端时,使用此连接类型。在此情况下,您无需在数据终端中手动获得定义的卷标。每个计数器盒能够连接六台机器。
更多信息,参见含计数盒的数据终端-装置的附加配置。
•数据终端和装置直接相连
该连接类型在装置分类"裁切机"和"数字印刷机"中提供。对于该装置分类而言,装置可以直接进行连接,当然无法发回操作数据。对于 BDE 报告(操作)使用额外的数据终端。
对于数字印刷机的连接见连接数字印刷机。
对于裁切机的连接见连接 Polar 裁切机。
操作工序列表内容
此处您可以决定随后是否在数据终端-装置上仅列出可以实施的工序,还是同时列出已经针对该装置计划实施的工序。
更多信息见操作工序列表内容。
•启动停止数量合计
如果您想要在加工活件时记录生产时间的"实时",请选择该时间记录模式。这意味着,通过开始操作(BDE 报告)开始一项活动(例如"安装")。如果您接着开始下一项活动(例如"折叠"),则结束"安装"。
开始"安装"和开始"折叠"之间的时间视为安装时间。
•显示时间
如果您加工活件时,只想记录一个活动的持续时间,选择这种时间记录模式。这意味着,只记录一个活动的总时间。这也仅是在您已经结束工作以后。
更多信息见时间采集类型。
仅以不列入计划的方式记入任务
该可选项可以针对您不想在调度程序中计划的数据终端-装置进行激活。在激活该可选项时,在数据终端的"活件"栏仅显示未作计划的活件。
角色的分配
如同在直接连接时一样,您可以为数据终端装置分配多个角色。
也就是说,您定义谁能够登录装置上的所有部分。"操作者"角色默认为激活并且不能变为不激活。
当机器上除了操作者,还有帮助人员参与工作时,激活"助手"角色。
如果一名工作人员在一台装置上工作,同时还在另外一台装置上工作,则激活角色"多任务操作者"。对于印刷机而言,通常情况并非如此。多任务操作者主要用于后续处理装置。
角色的更详细说明见角色的分配.
提示:在每日卡片和分析点中,该时间显示为重叠生产。在 Business Manager 中说明的是尚未完成的登记。
添加"单张纸印刷机"的数据终端装置,除了几个要定义的附加参数,其余步骤与其他装置分类的数据终端装置相同。如果不想添加"单张纸印刷机",则继续章节装置助手 - "分配操作组"和"分配操作"。
以下只介绍区别。
•激活印刷
在"装置分类"区域选择条目"单张纸印刷机"。所有的其他可选项与其他装置分类相同。
选择您想要连接的印刷机(1)。只显示所有已经添加在 Master Data Store 中的印刷机。
如果您打算生成装置的预设参数,则激活可选项"激活预设参数输出"(2)。
在激活该可选项时,除了确定参数外还会准备打印机的预设参数。此处您可以添加所需的输出目录。
详细信息见配置预设数据的生成。
在此,"模式化"您的印刷机。这一步是必要的,因为在接收活件时根据这个"模式"计算,活件需要多少个印刷道。例如,如果您有一台不带反转装置的 8 色印刷机,需要印刷 4/4 的活件,您就需要两个印刷工序。带有反转装置时,只需要一个印刷工序。
在装置助手的下两个步骤中您可以选择操作组和各自的操作。该选择可以在数据终端上由操作者进行,并发送给分析点。
选择哪个操作组和操作在装置配置中进行设置。见工序组(成本种类组)。
操作的分配针对每个角色(操作者、辅助人员和多任务操作者)单独进行选择。
在"分配用户组"区域可以为角色分配在数据终端装置中登记的用户组。
•至少分配给用户"*操作者"用户组。例如 "PostpressOperator"
•必须分配给辅助人员"*助手"用户组。
•必须分配给辅助人员"*多任务使用者"用户组。
元件组型号是指由单个装置组成的装置配置。根据之前选择的装置类型为不同的组成元件组型号的装置。
以骑马钉书机为例:
•元件组型号_1 只由"骑马"装置构成。
•元件组型号_2 由"装订"和"三面裁切机"装置组成。
•元件组型号_3 由"骑马"、"装订"和"三面裁切机"装置组成。
在后续处理中根据活件的不同需要不同的元件组型号。
也可以计算与应用元件组型号相关的生产费用,将为每个元件组型号分配一个特有的成本核算点。成本核算点(见成本中心 )必需提前设置,并且要用连接的信息管理系统进行校准。
•元件组型号_1 被分配到"5300,折页机 1"成本核算点。
•元件组型号_2 被分配到"5310,折页机 2"成本核算点。
•元件组型号_3 被分配到"5320,折页机 3"成本核算点。
如果您在数据终端中载入一个活件,就必须选择用此生产活件的元件组型号。
例如,一个工序包含有收集、装订、插入和裁切多个工序步骤。选择的元件组型号只由"装订机"和"三面裁切机"组成。处理工序时,元件组型号选择的作用在数据终端使用说明"操作活件"一章中举例说明。
元件组型号的其他信息见添加元件组型号。
在设备助手的最后一步中,在下面区域设置"标准操作"和"标准辅助操作"默认值。
解释:说明:有些装置不需要登录即可启动活件。此外,在装置上执行的活动不必手动反馈。例如,不用输入 BDE 报告就能够在机器上加载活件,改善机器装备,启动活件。在分析时需要确定活件的装置操作者和状态报告。因此,如果实施的工作未在装置上手动进行编辑,此处定义自动生成的操作(BDE 报告)。
辅助人员-标准操作只有当您在角色分配时激活"辅助人员",才可见。如果一个用户在装置上登录为"操作者"并实施工序,则可以定义对于辅助人员自动生成何种操作(BDE 报告)。如果该用户在该装置是注销角色"操作者"并登录到其他装置,也会生产该操作(BDE 报告)。这意味着辅助人员自动登录到该装置,无需通过辅助人员手动实施。
在装置助手的"总结"对话框中,可以同其他在线连接的印刷机一样激活"货版标签"。详细说明见生成印版标签。
数据终端装置计数盒"计数盒配置"对话框的设置和不带计数盒的数据终端装置设置是一样的(见添加数据终端-装置)。
接下来这里只介绍不带计数盒的数据终端装置的区别。
连接方式
必须选择"连接"区域中"带计数盒的数据终端"列表条目。
"计数器盒配置"对话框
您必须在此定义,如何传送机器计数器盒提供的总额计算器状态。
一般的操作步骤如下:
•选择计数盒(1)
此处可以对装置配置中的所有已添加的计数盒进行选择。您也可以通过按钮"新计数盒"添加计数盒。见添加新计数器盒。
•给新机器(装置)分配一条通道(2)。
对于每个计数盒提供 6 个通道。每个连接一台装置。
•激活/禁用"自动切换到继续运转"选项(3)。
一旦满足这里设置的条件,既可通过此选项自动切换到"继续运行"(产品生产)。这就是说,不必手动编辑"继续运行"(启动产品生产)。
在"操作"选择列表中,显示所有可选取的被分配到装置中的操作。为了执行"自动切换到继续运行"选项,必须选择一个合理的操作。
必须同时完成下面的 2 个参数:
·设置的最小数量
·设置的最小速度
实践中意味着,例如以 4000[Bg/h] 的速度处理 10 个印张时,首先转换到"续印"。两个参数中只要有一个参数偏离设置就不会切换到"继续运行"。
如何将计数器盒的电线连接到海德堡机器上依赖于机器。下面展示两种机器的接线计划。
对计数器盒的详细说明参见附有计数器盒的 IPCAS 手册。我们已在 IPCAS 手册相应章节中找出了最重要的两点。
•计数盒的 IP 地址:章节 3:开动
•安装计数盒:章节 9.4:插头占用
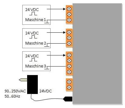
元件组型号 1
装置具有一个 24VDC 的传感器输出或光栅输出。对于该元件组型号,最多连接三台装置。
小心:接地-接头(GND"接地")不允许"桥接"。请勿"桥接"两台装置的接地-接头。
元件组型号 2
装置具有无电势连接触点。对于该元件组型号,可以最多连接六台装置。
1.启动连接有装置的计算机上的数据终端。
2.在 Prinect 服务器或者 Client 上启动 Prinect-Cockpit。
3.请您切换至"排队"区域。
现在必须在"发动机"一栏运行"CDM"发动机,在"等待序列"一栏中是您之前输入的"装置名称"。本例中为"KH_78”。
"状态"一栏必须为"已启动"。